wiso benötige ich ein kräftiges mittenpotential, ist es nicht ausreichend wenn sich die brücke ausgleicht(0V-0V)?
Druckbare Version
wiso benötige ich ein kräftiges mittenpotential, ist es nicht ausreichend wenn sich die brücke ausgleicht(0V-0V)?
Der Motorstrom fließt von OP durch den Motor und dann .. in das Mittenpotential, das relativ niderohmig sein soll.
Ich sehe im ersten Post es sind +12V und -12V vorhanden und eine Masse in der Mitte.
Das geht, ich hatte an eine Schaltung mit nur einer Versorgungsspannung gedacht.
Manfred
hallo manf, kannst du mir dir schaltung an die du gedacht hast näher erklären? Erzeugst du dabei, mit einem op positive und mit einem negative signale?
Bisher: Der Ausgang kann im Berich von -10 bis +10 Volt sein. Der andere Motor anschluß ist an Masse.
Wenn der Motor mit -5 bis +5V auskommt, dann reicht eine Spannung, der Ausgang ist im Bereich von 1 bis 11V und der andere Anschluß kommt auf 6V.
Nächster Schritt: Ein OP ist im Berich von 1 bis 11V der zweite OP ist im Bereich von 1 bis 11V gespiegelt an 6V. Das ist dann eine H-Brückenschaltung die den Motor mit +10V bis -10V versorgt.
Die Spannung des zweiten OP wird aus der des ersten abgeleitet.
Manfred
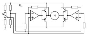
hallo manf, hast du vieleicht ein bild dieser schaltung?
So könnte es aussehen:
Bild hier
danke manf. crishy