MC Zeitsteuerung für 230V Lüfter
Hallo,
ich bin gerade dabei dieses Projekt fertig zu stellen und möchte es euch nicht vor enthalten.
Ein MC steuert die Einschaltzeiten von einem 230 V Lüfter für Sanitärräume. Die Zeiten werden ausgelöst durch Einschalten und Ausschalten der 230 V Spannung an der Beleuchtung. Die Versorgung des MC läuft nicht dauernd, sondern sondern erst bei Bedarf! Die Ausführung erfolgt in Schutzklasse 2: Schutzisolierung.
Das Schaltbild zeigt MC mässig nichts besonderes, aber interfaceseitig war einiges bezüglich Triacs zu recherchieren, da es für mich neu war, bei der 230 V Detektierung konnte ich wieder auf bereits Erarbeitetes zurück greifen:
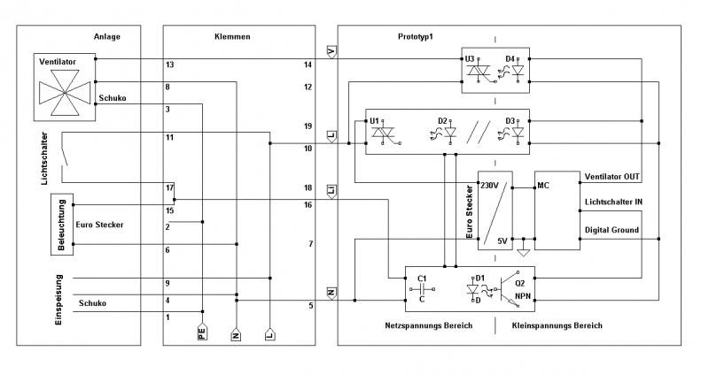
Um die Funktion nochmals übersichtlich zu zeigen, präsentiere ich hier die Einbindung des Geräts in die Testanlage:
Das Layout musste natürlich sauber zwischen Kleinspannung und Netzspannung trennen. Die Abstände konnten sehr grosszügig dimensioniert werden. Die Trennlinie wurde gerade gehalten.
Auf dem Folgenden Bild sieht man 2 der vielen vorgeschriebenen und notwendigen Massnahmen im Rahmen von Schutzisolierung. Die Isolierung ist doppelt ausgeführt. Dafür ist auf der Unterseite der Platine noch eine Isolierstoffplatte vorgesehen. Die Adern werden knapp an der Klemme von einem Kabelbinder gebündelt.
Die Doppelte Isolierung wird nach oben durch eine Isolierstoffhaube verwirklicht. Auch bei geöffnetem Gehäuse liegen keine Netzspannung führenden Teile berührbar blank.
Bei konkreten Fragen liefere ich gern noch weitere Information und Bilder.