Hallo,
ich habe da mal eine Frage.
Wie kann ich am besten aus einer Gleichstromquelle eine Rechteckspannung erzeugen?
Habt ihr vieleicht ein paar lösungsmöglichkeiten für mich?
Währe für einen Schaltplan sehr dankbar!
Ich sage schonmal danke!
Druckbare Version
Hallo,
ich habe da mal eine Frage.
Wie kann ich am besten aus einer Gleichstromquelle eine Rechteckspannung erzeugen?
Habt ihr vieleicht ein paar lösungsmöglichkeiten für mich?
Währe für einen Schaltplan sehr dankbar!
Ich sage schonmal danke!
Schau Dir die Schaltungen mit dem Timer 555 an.
Du kannst auch einen (Invertierenden) Schmitt-Trigger mit einem R und C verwenden.
Je kleiner R und C sind, desto höher ist die Frequenz an S. Genaue Formeln zur berechnung gibt's in den Datenblätter dieser Gatter.
MfG
Basti
P.S.: Ausprobiert hab ich das noch nicht, nur mal irgendwo aufgeschnappt :-#
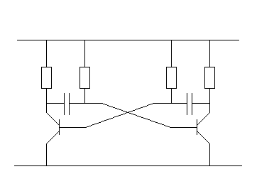
hallo
würde einen multivibrator benutzen
Bild hier
Die Schaltung von Basti... ist die einfachste und stabilste.
Kommt auch darauf an wie hoch die Rechteckspannung belastet werden soll. Wenn du der obigen Schaltung einen Inverter nachsetzt (Beim 4093 mit 4 solchen kein problem) kann er mit ca. 10mA belastet werden.
Habe diese Schaltung schon zig mal benutzt . Zum Betreiben eines Fenster Rollotron mittels 12V Gleichspannung -Solar benutze ich ebenfalls diese Schaltung mit zusätzlich 4 MOS-Brückentransistoren. Belastbar bis ca. 20A
Der 555 kann mit 200 mA nach Plus und / oder nach GND belastet werden.
Daß die Schaltung mit dem 4093 stabiler sein soll, kann ich nicht bestätigen (hängt zum größten Teil von der Qualität des R und C ab).
Sie ist einfacher, aber auch empfindlicher, weil CMOS; alle freien Eingänge müssen nach Plus oder GND.
Der 4093 benötigt als DIL-14 Baustein mehr Platz als der 8-pinnige 555.
Am einfachsten ist diese Schaltung.
VCC=2.7V bis 5.5V
Ich schließe mich Storchi an ;-)
Nur für manche sind ein paar elektronische Bauteile einfacher als da extra den Programmierer anzuwerfen ...