- fchao-Sinus-Wechselrichter AliExpress    Werbung      
RSS-Feed anzeigen

computeropa

  1. Mikrocontroller

    Hallo Freunde,
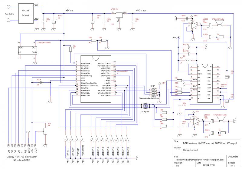
    Muß ich beim Anschluss eines externen Quaroszilators Z.B. 4MHz (Lehnhart-Radio)
    den Takt des Atmega8 von 1MHz ändern?
    siehe Bild:
    Klicke auf die Grafik für eine größere Ansicht

Name:	DSPbasierterTUNERschaltplan.jpg
Hits:	1282
Größe:	71,8 KB
ID:	24422
    Kann mir jemand dazu etwas sagen?
    Im voraus vielen Dank
    Computeropa

    Noch eine Frage wie kann ich meine Fragen im Forum veröffentlichen?
    Stichworte: controller Stichworte bearbeiten
    Kategorien
    Kategorielos

    Werbung      fchao-Sinus-Wechselrichter AliExpress